
T-SS Series // Spring Driven Specialty Reels


-
Features
-
Applications
Features
COXREELS® SS Series "Stainless Steel" spring driven hose reels have similar features to their related series, but are constructed of high quality electro-polished stainless steel with stainless steel fluid paths. They offer clean, non-corrosive performance in applications that require it, such as food and chemical processing, marinas, and anywhere that rust, corrosion and contamination thrive.
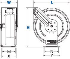
Model Shown: TSHL-N-350-SS. Please refer to Overall Dimensions for the different reel sizes available.

Swivel
- Non-corrosive external fluid path with machined from high quality stainless steel 90° full-flow NPT swivel inlet
- Swivel Seals: NITRILE Non-Toxic Food Grade Grease.
- Non-corrosive external fluid path with machined from high quality stainless steel 90° full-flow NPT swivel inlet
Design & Structure
- Built for rugged mobile applicationsn.
- Guide arm adjusts to wall, floor, vehicle & overhead positions.
- Stainless Steel rollers on 3/4" & 1" models.
- Solid one-piece, heavy gauge 1/4" steel base & support posts for maximum strength.
- 1" solid steel axle & lubricated precision bearings for smooth rotation.
Retract
- Enclosed factory tuned & matched cartridge-style spring motor.
- Non-corrosive stainless steel spring, pawl & zinc plated ratchet.
- Multi-position lock ratchet mechanism secures hose at desired length.
Signature Features
- Professional grade heavy duty steel construction.
- Rolled edges & ribbed discs provide strength & safety.
- Leading 2-year manufacturer's limited warranty.
- Made in the U.S.A. - Sold & Supported Worldwide.
- SWIVEL - Non-corrosive external fluid path with machined from high quality stainless steel 90º full-flow NPT swivel inlet.
- CARTRIDGE MOTOR - Electro-polished stainless steel lubricated and enclosed cartridge-style motor is easily removable for safe and convenient maintenance.
- CNC SPUN DISCS - Heavy duty CNC robotically spun and ribbed discs with rolled edges for greater strength, durability, hose protection and operator safety.
- 1/4" STEEL BASE - Sturdy dual pedestal design with solid one piece stainless steel base and support post, no weld, for maximum stability. Equipped with Coxreels exclusive super hub™ triple axle support
- MULTI-POSITION GUIDE ARM - Versatile stainless steel guide arm adjusts to wall, floor, ceiling, and vehicle mounting positions.
- OTHER FEATURES INCLUDE - Sturdy permanently lubricated precision bearings.
View Models
Models
- Low Pressure (Max 1000psi)
- Medium Pressure (From 1000psi to 4000psi)

Model | I.D | O.D | Length | Hose | Max PSI | Ship Weight (lbs) | Overall Dimensions (W) (H) (L) | Mounting Pattern (M) (N) | Base (X) (Y) | CAD Downloads | |
TSHL-N-3100-SS | 3/8" | 5/8" | 100' | No | 300 | 74 | 9.38"(W) 25.5"(H) 24"(L) | 7"(M) 8"(N) | 8"(X) 9"(Y) | Request CAD File | |
TSHL-N-350-SS | 3/8" | 5/8" | 50' | No | 300 | 55 | 9.38"(W) 21.25"(H) 19.5"(L) | 7"(M) 8"(N) | 8"(X) 9"(Y) | Request CAD File | |
TSHL-N-375-SS | 3/8" | 5/8" | 75' | No | 300 | 73 | 9.38"(W) 25.5"(H) 24"(L) | 7"(M) 8"(N) | 8"(X) 9"(Y) | Request CAD File | |
TSHL-N-4100-SS | 1/2" | 3/4" | 100' | No | 300 | 80 | 9.38"(W) 25.5"(H) 24"(L) | 7"(M) 8"(N) | 8"(X) 9"(Y) | Request CAD File | |
TSHL-N-450-SS | 1/2" | 3/4" | 50' | No | 300 | 55 | 9.38"(W) 21.25"(H) 19.5"(L) | 7"(M) 8"(N) | 8"(X) 9"(Y) | Request CAD File | |
TSHL-N-475-SS | 1/2" | 3/4" | 75' | No | 300 | 71 | 9.38"(W) 25.5"(H) 24"(L) | 7"(M) 8"(N) | 8"(X) 9"(Y) | Request CAD File | |
TSHL-N-550-SS | 3/4" | 1-1/16" | 50' | No | 300 | 70 | 9.88"(W) 25.5"(H) 24"(L) | 7"(M) 8"(N) | 8"(X) 9"(Y) | Request CAD File |

Model | I.D | O.D | Length | Hose | Max PSI | Ship Weight (lbs) | Overall Dimensions (W) (H) (L) | Mounting Pattern (M) (N) | Base (X) (Y) | CAD Downloads | |
TMPL-N-3100-SS | 3/8" | 11/16" | 100' | No | 3000 | 82 | 9.38"(W) 25.5"(H) 24"(L) | 7"(M) 8"(N) | 8"(X) 9"(Y) | Request CAD File | |
TMPL-N-4100-SS | 1/2" | 13/16" | 100' | No | 3000 | 80 | 9.38"(W) 25.5"(H) 24"(L) | 7"(M) 8"(N) | 8"(X) 9"(Y) | Request CAD File |

Proposition 65 Warning: Cancer and Reproductive Harm www.P65Warnings.ca.gov (California Residents Click Here)
Contact Us
Have questions? We are here for you. Please feel free to get in touch with us using the tabs and forms below to contact us and request more information about COXREELS® products and services. We will handle your inquiries and will get back to you as soon as we can.Contact Us
Find Distributors
Distributor information will be provided through your preferred method of contact. Click here to submit a request that will be routed to the appropriate distributor.Find a Distributor
Tempe, AZ 85283
Phone: 800-269-7335
Fax: 800-229-7335