
T-DEF Reels // Spring Driven Specialty Reels


-
Features
-
Applications
-
Videos
Features
COXREELS® DEF Series are equipped with a stainless steel external full-flow swivel and chemical resistant Viton® seals to provide a safe, reliable Diesel Exhaust Fluid (DEF) dispensing solution. The swivel is easy to access for simple seal maintenance and fast DEF dispenser hose installation. Supreme-duty dual pedestal (T Series) configuration is outfitted with Coxreels’ original Super Hub™ triple axle support system to increase stability and reduce vibration during operation, making these reels the perfect DEF handling solutions for either stationary or rugged mobile applications.
Model Shown: TSH-N-550-DF-BBX. Please refer to Overall Dimensions for the different reel sizes available.

Swivel
- Non-corrosive stainless steel 90˚ full flow NPT swivel for Diesel Exhaust Fluid (DEF) dispensing applications.
- Swivel seals: Viton®
Design & Structure
- Built for rugged mobile applications
- Guide arm adjusts to wall, floor, vehicle & overhead positions
- Stainless Steel rollers on 3/4" & 1" models
- Solid one piece, heavy gauge 1/4" steel base & support posts for maximum strength
- 1" solid steel axle & lubricated precision bearings fornsmooth rotation
Retract
- Enclosed factory tuned & matched cartridge-style spring motor
- Non-corrosive stainless steel spring, pawl & zinc plated ratchet
- Multi-position lock ratchet mechanism secures hose at desired length
Signature Features
- Professional grade heavy duty steel construction
- Rolled edges & ribbed discs provide strength & safety
- Leading 2-year manufacturer's limited warranty
- Made in the U.S.A. - Sold & Supported Worldwide
- SWIVEL - Non-corrosive stainless steel 90˚ full-flow NPT swivel for Diesel Exhaust Fluid (DEF) dispensing applications.
- CARTRIDGE MOTOR - Lubricated and enclosed cartridge-style motor is easily removable for safe and convenient maintenance.
- CNC SPUN DISCS - Heavy duty CNC robotically spun and ribbed discs with rolled edges for greater strength, durability, hose protection and operator safety.
- 1/4" STEEL BASE - Sturdy dual pedestal design with solid one piece steel base and support post, no weld, for maximum stability. Exclusive Super Hub™ triple axle support system.
- MULTI-POSITION GUIDE ARM - Versatile guide arm adjusts to wall, floor, ceiling, and vehicle mounting positions.
- OTHER FEATURES INCLUDE - long lasting, chip resistant and rust inhibiting CPC powder coat finish, adjustable solid rubber hose stop, DEF dispensing hose, and sturdy permanently lubricated precision bearings.
View Models
Models
- Low Pressure (Max 1000psi)

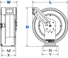
Model | I.D | O.D | Length | Hose | Max PSI | Ship Weight (lbs) | Overall Dimensions (W) (H) (L) | Mounting Pattern (M) (N) | Base (X) (Y) | CAD Downloads | |
TSH-N-550-DF-BBX | 3/4" | 1 1/8" | 50' | Yes | 300 | 91 | 9.38"(W) 25.5"(H) 24"(L) | 7"(M) 8"(N) | 8"(X) 9"(Y) | Request CAD File | |
TSHL-N-450-BBX | 1/2" | 7/8" | 50' | No | 300 | 55 | 9.38"(W) 21.25"(H) 19.5"(L) | 7"(M) 8"(N) | 8"(X) 9"(Y) | Request CAD File | |
TSHL-N-535-DF-BBX | 3/4" | 1 1/8" | 35' | No | 300 | 67 | 9.38"(W) 25.5"(H) 24"(L) | 7"(M) 8"(N) | 8"(X) 9"(Y) | Request CAD File | |
TSHL-N-550-DF-BBX | 3/4" | 1 1/8" | 50' | No | 300 | 70 | 9.38"(W) 25.5"(H) 24"(L) | 7"(M) 8"(N) | 8"(X) 9"(Y) | Request CAD File | |
TSHL-N-635-BBX | 1" | 1 3/8" | 35' | No | 300 | 71 | 10"(W) 25.5"(H) 24"(L) | 7"(M) 8"(N) | 8"(X) 9"(Y) | Request CAD File | |
TSHL-N-650-BBX | 1" | 1 3/8" | 50' | No | 300 | 77 | 12"(W) 25.5"(H) 24"(L) | 7"(M) 8"(N) | 8"(X) 9"(Y) | Request CAD File |

Proposition 65 Warning: Cancer and Reproductive Harm www.P65Warnings.ca.gov (California Residents Click Here)
Contact Us
Have questions? We are here for you. Please feel free to get in touch with us using the tabs and forms below to contact us and request more information about COXREELS® products and services. We will handle your inquiries and will get back to you as soon as we can.Contact Us
Find Distributors
Distributor information will be provided through your preferred method of contact. Click here to submit a request that will be routed to the appropriate distributor.Find a Distributor
Tempe, AZ 85283
Phone: 800-269-7335
Fax: 800-229-7335