
SP-Fuel Series // Spring Driven Specialty Reels


-
Features
-
Videos
Features
COXREELS® Fuel Dispensing Reels are designed to handle various non-aromatic fuel applications including diesel, kerosene, fuel oil and heating oil. Coxreels® professional fuel dispensing reels are an essential component found in utility, ground support, and bulk liquid handling transport services mounted on fuel storage & dispensing systems, fuel/lube trucks, aircraft refuelers, and tank trucks. The convenient uncoiling systems with the added hose control allow the operator to efficiently handle fuel transfers.
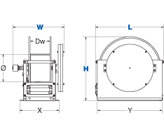
Model Shown: SLPF-650. Please refer to Overall Dimensions for the different reel sizes available.

Swivel
- Machined from solid brass 90º full-flow NPT swivel for fuel dispensing applications
- Swivel seals: Nitrile
- Machined from solid brass 90º full-flow NPT swivel for fuel dispensing applications
Design & Structure
- Reel features a sturdy box-style frame designn
- Reel adjusts to wall, floor, vehicle & overhead positions
- Heavy gauge 1/4" steel base for maximum strength
- Reinforced steel frame provides maximumnstrength & stability
- Long lasting self-lubricated flange bearings for smooth rotation
- Heavy duty 1" stainless steel pinch-proof rollers
Retract
- Enclosed factory tuned & matched cartridge-style spring motor
- Non corrosive stainless steel pawl spring
- Cast iron lock ring with non-sparking bronze pawl
- Multi-position lock ratchet mechanism secures hose at desired length
Signature Features
- Professional grade heavy duty steel construction
- Rolled edges & ribbed discs provide strength & safety
- Leading 2-year manufacturer's limited warranty
- Made in the U.S.A. - Sold & Supported Worldwide
- SWIVEL - Machined from solid brass 90º full-flow NPT swivel for fuel dispensing applications.
- CARTRIDGE MOTOR - Lubricated and enclosed cartridge-style motor is easily removable for safe and convenient maintenance.
- CNC SPUN DISCS - Heavy duty CNC robotically spun and ribbed discs with rolled edges for greater strength, durability, hose protection and operator safety.
- BOX-STYLE DESIGN - Sturdy box-style, reinforced steel frame design provides maximum strenght and stability.
- STEEL ROLLERS - Heavy duty 1" stainless steel pinch-proof rollers.
- OTHER FEATURES INCLUDE - long lasting, chip resistant and rust inhibiting CPC powder coat finish, and sturdy permanently lubricated precision bearings.
View Models
Models
- Low Pressure (Max 1000psi)

Model | I.D | O.D | Length | Hose | Max PSI | Ship Weight (lbs) | Overall Dimensions (W) (H) (L) | Mounting Pattern (M) (N) | Base (X) (Y) | CAD Downloads | |
SLPF-5100 | 3/4" | 1 3/16" | 100' | Yes | 300 | 107 | 19.63"(W) 20.5"(H) 22.88"(L) | 14"(M) 22"(N) | 15.38"(X) 25"(Y) | Request CAD File | |
SLPF-550 | 3/4" | 1 3/16" | 50' | Yes | 300 | 107 | 19.63"(W) 20.5"(H) 22.88"(L) | 14"(M) 18.5"(N) | 15.38"(X) 21.5"(Y) | Request CAD File | |
SLPF-575 | 3/4" | 1 3/16" | 75' | Yes | 300 | 107 | 19.63"(W) 20.5"(H) 22.88"(L) | 14"(M) 22"(N) | 15.38"(X) 25"(Y) | Request CAD File | |
SLPF-625 | 1" | 1 1/2" | 25' | Yes | 300 | 142 | 19.63"(W) 24.5"(H) 26.38"(L) | 14"(M) 18.5"(N) | 15.38"(X) 21.5"(Y) | Request CAD File | |
SLPF-650 | 1" | 1 1/2" | 50' | Yes | 300 | 142 | 19.63"(W) 24.5"(H) 26.38"(L) | 14"(M) 22"(N) | 15.38"(X) 25"(Y) | CAD File | |
SLPF-675 | 1" | 1 1/2" | 75' | Yes | 300 | 142 | 19.63"(W) 28.5"(H) 26.38"(L) | 14"(M) 22"(N) | 15.38"(X) 25"(Y) | Request CAD File |

Proposition 65 Warning: Cancer and Reproductive Harm www.P65Warnings.ca.gov (California Residents Click Here)
Contact Us
Have questions? We are here for you. Please feel free to get in touch with us using the tabs and forms below to contact us and request more information about COXREELS® products and services. We will handle your inquiries and will get back to you as soon as we can.Contact Us
Find Distributors
Distributor information will be provided through your preferred method of contact. Click here to submit a request that will be routed to the appropriate distributor.Find a Distributor
Tempe, AZ 85283
Phone: 800-269-7335
Fax: 800-229-7335