
P-WC Series // Spring Driven Specialty Reels


-
Features
-
Applications
-
Videos
Features
COXREELS® P-WC Series spring driven "Welding Cable" reels protect and extend the life of your welding cable by neatly and conveniently storing it on a 25, 35 or 50 foot self-retracting welding cable reel. They are the solution for keeping your work area safe, organized and efficient.
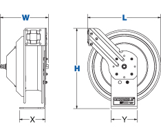
Model Shown: P-WC13-5004. Please refer to Overall Dimensions for the different reel sizes available.

Swivel
- Electrical current runs through a 450 AMP rated slip ring
Design & Structure
- Designed for electrode & grounding lead applications (each lead requires an individual reel)
- Single pedestal reel with space saving design facilitates workplace organization
- Welding cable clamp available (see below)
- Guide arm adjusts to wall, floor, vehicle &noverhead positions
- Solid one piece, heavy gauge 1/4" steel base & support post for maximum stability
- 1" solid steel axle & lubricated precision bearings for smooth rotation
Retract
- Enclosed factory tuned & matched cartridge-style spring motor
- Non corrosive stainless steel spring, pawl & zinc plated ratchetn
- Multi-position lock ratchet mechanism secures cable at desired length
Signature Features
- Professional grade heavy duty steel construction
- Rolled edges & ribbed discs provide strength & safety
- Leading 2-year manufacturer's limited warranty
- Made in the U.S.A. - Sold & Supported Worldwide
- COMPONENT COVER - External, easily accesible, heavy gauge CPC™ powder coated steel components cover for fast and simple slip ring routine maintenance. No need to remove the reel from its mount.
- CARTRIDGE MOTOR - Lubricated and enclosed cartridge-style motor is easily removable for safe and convenient maintenance.
- CNC SPUN DISCS - Heavy duty CNC robotically spun and ribbed discs with rolled edges for greater strength, durability, hose protection and operator safety.
- 1/4" STEEL BASE - Sturdy single pedestal design with solid one piece steel base and support post, no weld, for maximum stability and professional grade strenght without the weight.Exclusive Super Hub™dual axle support system.
- MULTI-POSITION GUIDE ARM - Versatile guide arm adjusts to wall, floor, ceiling, and vehicle mounting positions.
- OTHER FEATURES INCLUDE - long lasting, chip resistant and rust inhibiting CPC powder coat finish, adjustable solid rubber cable stop, welding cable, cable clamp available, and sturdy permanently lubricated precision bearings.
View Models
Models
- Other

Model | Hose | Length | Ship Weight (lbs) | Gauge | Amps | Volts | Overall Dimensions (W) (H) (L) | Mounting Pattern (M) (N) | Base (X) (Y) | CAD Downloads | |
P-WC13-2501 | Yes | 25' | 35 | 1GA | 300 | 600 | 8.5"(W) 14.5"(H) 13.75"(L) | 3"(M) 5"(N) | 5"(X) 6"(Y) | CAD File | |
P-WC13-2510 | Yes | 25' | 37 | 1/0 | 350 | 600 | 8.5"(W) 14.5"(H) 13.75"(L) | 3"(M) 5"(N) | 5"(X) 6"(Y) | CAD File | |
P-WC13-3502 | Yes | 35' | 36 | 2GA | 225 | 600 | 8.5"(W) 14.5"(H) 13.75"(L) | 3"(M) 5"(N) | 5"(X) 6"(Y) | CAD File | |
P-WC13-3504 | Yes | 35' | 34 | 4GA | 150 | 600 | 8.5"(W) 14.5"(H) 13.75"(L) | 3"(M) 5"(N) | 5"(X) 6"(Y) | CAD File | |
P-WC13-3506 | Yes | 35' | 31 | 6GA | 75 | 600 | 8.5"(W) 14.5"(H) 13.75"(L) | 3"(M) 5"(N) | 5"(X) 6"(Y) | CAD File | |
P-WC13-5004 | Yes | 50' | 39 | 4GA | 150 | 600 | 8.5"(W) 14.5"(H) 13.75"(L) | 3"(M) 5"(N) | 5"(X) 6"(Y) | CAD File | |
P-WC13-5006 | Yes | 50' | 35 | 6GA | 75 | 600 | 8.5"(W) 14.5"(H) 13.75"(L) | 3"(M) 5"(N) | 5"(X) 6"(Y) | CAD File | |
P-WC13L-2501 | No | 25' | 26 | 1GA | 300 | 600 | 8.5"(W) 14.5"(H) 13.75"(L) | 3"(M) 5"(N) | 5"(X) 6"(Y) | CAD File | |
P-WC13L-2510 | No | 25' | 26 | 1/0 | 350 | 600 | 8.5"(W) 14.5"(H) 13.75"(L) | 3"(M) 5"(N) | 5"(X) 6"(Y) | CAD File | |
P-WC13L-3502 | No | 35' | 26 | 2GA | 225 | 600 | 8.5"(W) 14.5"(H) 13.75"(L) | 3"(M) 5"(N) | 5"(X) 6"(Y) | CAD File | |
P-WC13L-3504 | No | 35' | 26 | 4GA | 150 | 600 | 8.5"(W) 14.5"(H) 13.75"(L) | 3"(M) 5"(N) | 5"(X) 6"(Y) | CAD File | |
P-WC13L-3506 | No | 35' | 26 | 6GA | 75 | 600 | 8.5"(W) 14.5"(H) 13.75"(L) | 3"(M) 5"(N) | 5"(X) 6"(Y) | CAD File | |
P-WC13L-5004 | No | 50' | 28 | 4GA | 150 | 600 | 8.5"(W) 14.5"(H) 13.75"(L) | 3"(M) 5"(N) | 5"(X) 6"(Y) | CAD File | |
P-WC13L-5006 | No | 50' | 28 | 6GA | 75 | 600 | 8.5"(W) 14.5"(H) 13.75"(L) | 3"(M) 5"(N) | 5"(X) 6"(Y) | CAD File | |
P-WC17-3520 | Yes | 35' | 60 | 2/0 | 450 | 600 | 11"(W) 18.25"(H) 17.25"(L) | 4"(M) 5"(N) | 6"(X) 6"(Y) | CAD File | |
P-WC17-5001 | Yes | 50' | 60 | 1GA | 300 | 600 | 11"(W) 18.25"(H) 17.25"(L) | 4"(M) 5"(N) | 6"(X) 6"(Y) | CAD File | |
P-WC17-5002 | Yes | 50' | 56 | 2GA | 225 | 600 | 11"(W) 18.25"(H) 17.25"(L) | 4"(M) 5"(N) | 6"(X) 6"(Y) | CAD File | |
P-WC17-5010 | Yes | 50' | 64 | 1/0 | 350 | 600 | 11"(W) 18.25"(H) 17.25"(L) | 4"(M) 5"(N) | 6"(X) 6"(Y) | CAD File | |
P-WC17-5020 | Yes | 50' | 68 | 2/0 | 450 | 600 | 11"(W) 18.25"(H) 17.25"(L) | 4"(M) 5"(N) | 6"(X) 6"(Y) | CAD File | |
P-WC17L-3520 | No | 35' | 42 | 2/0 | 450 | 600 | 11"(W) 18.25"(H) 17.25"(L) | 4"(M) 5"(N) | 6"(X) 6"(Y) | CAD File | |
P-WC17L-5001 | No | 50' | 42 | 1GA | 300 | 600 | 11"(W) 18.25"(H) 17.25"(L) | 4"(M) 5"(N) | 6"(X) 6"(Y) | CAD File | |
P-WC17L-5002 | No | 50' | 42 | 2GA | 225 | 600 | 11"(W) 18.25"(H) 17.25"(L) | 4"(M) 5"(N) | 6"(X) 6"(Y) | CAD File | |
P-WC17L-5010 | No | 50' | 42 | 1/0 | 350 | 600 | 11"(W) 18.25"(H) 17.25"(L) | 4"(M) 5"(N) | 6"(X) 6"(Y) | CAD File | |
P-WC17L-5020 | No | 50' | 42 | 2/0 | 450 | 600 | 11"(W) 18.25"(H) 17.25"(L) | 4"(M) 5"(N) | 6"(X) 6"(Y) | CAD File |

Proposition 65 Warning: Cancer and Reproductive Harm www.P65Warnings.ca.gov (California Residents Click Here)
Contact Us
Have questions? We are here for you. Please feel free to get in touch with us using the tabs and forms below to contact us and request more information about COXREELS® products and services. We will handle your inquiries and will get back to you as soon as we can.Contact Us
Find Distributors
Distributor information will be provided through your preferred method of contact. Click here to submit a request that will be routed to the appropriate distributor.Find a Distributor
Tempe, AZ 85283
Phone: 800-269-7335
Fax: 800-229-7335