
EZ-T Series // EZ Coil Hose Reels


-
Features
-
Applications
Features
COXREELS® EZ-T Series "Truck Mount" spring driven hose reels are the toughest hose reels in the spring driven line. The extra large chassis with dual pedestal-style arms and Coxreels Super Hub™ provides triple axle support while reducing vibration and strengthening the structural integrity of the reel. Making it perfect for off-road applications that demand reliability in the most abusive and demanding environments.
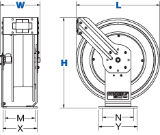
Model Shown: EZ-TSH-350. Please refer to Overall Dimensions for the different reel sizes available.

Swivel
- External fluid path with machined solid brass 90º full-flow NPT swivel inlet
Zinc plated steel swivel on HP models
Electroless nickel plated steel swivel on 1" models - Swivel Seals: NITRILE
- External fluid path with machined solid brass 90º full-flow NPT swivel inlet
Design & Structure
- Sturdy dual pedestal reel features Coxreels' exclusive Super Hub triple axle support system
- Stainless steel rollers on 3/4" and 1" models
- Solid one pice 1/4" steel base & support posts for maximum strenght
- 1" solid steel axle & lubricated precision bearings for smooth rotation
- Built for rugged mobile applications
- Guide arm adjusts to wall, floor, vehicle &noverhead positions
Retract
- Controlled retraction speed up to 80% slower
- Enclosed factory tuned & matched cartridge-style spring motor
- Non-corrosive stainless steel spring, pawl & zincnplated ratchet
- Multi-position lock ratchet mechanism secures hose atndesired length
Signature Features
- Professional grade heavy duty steel construction
- Rolled edges & ribbed discs provide strength & safety
- Leading 2-year manufacturer's limited warranty
- Made in the U.S.A. - Sold & Supported Worldwide
- SWIVEL - Machined from solid brass 90º full-flow NPT swivel for simple seal maintenance and fast and easy hose installation. No need to remove the reel from its mount.
- EZ-COIL® EQUIPPED - Lubricated and enclosed cartridge-style motor is easily removable for safe and convenient maintenance. Coxreels patented safety system that retracts up to 80% slower than conventional reels.
- CNC SPUN DISCS - Heavy duty CNC robotically spun and ribbed discs with rolled edges for greater strength, durability, hose protection and operator safety.
- 1/4" STEEL BASE - Sturdy dual pedestal design with solid one piece steel base and support post, no weld, for maximum stability. Equipped with Coxreels exclusive super hub™ triple axle support
- MULTI-POSITION GUIDE ARM - Versatile guide arm adjusts to wall, floor, ceiling, and vehicle mounting positions.
- OTHER FEATURES INCLUDE - long lasting, chip resistant and rust inhibiting CPC powder coat finish, adjustable solid rubber hose stop, and sturdy permanently lubricated precision bearings.
View Models
Models
- Low Pressure (Max 1000psi)
- Medium Pressure (From 1000psi to 4000psi)
- High Pressure (4000psi and up)

Model | I.D | O.D | Length | Hose | Max PSI | Ship Weight (lbs) | Overall Dimensions (W) (H) (L) | Mounting Pattern (M) (N) | Base (X) (Y) | CAD Downloads | |
EZ-TSH-3100 | 3/8" | 5/8" | 100' | Yes | 300 | 85 | 9.38"(W) 25.5"(H) 24"(L) | 7"(M) 8"(N) | 8"(X) 9"(Y) | CAD File | |
EZ-TSH-350 | 3/8" | 5/8" | 50' | Yes | 300 | 61 | 9.38"(W) 21.25"(H) 19.5"(L) | 7"(M) 8"(N) | 8"(X) 9"(Y) | CAD File | |
EZ-TSH-375 | 3/8" | 5/8" | 75' | Yes | 300 | 82 | 9.38"(W) 25.5"(H) 24"(L) | 7"(M) 8"(N) | 8"(X) 9"(Y) | CAD File | |
EZ-TSH-4100 | 1/2" | 3/4" | 100' | Yes | 300 | 95 | 9.38"(W) 25.5"(H) 24"(L) | 7"(M) 8"(N) | 8"(X) 9"(Y) | CAD File | |
EZ-TSH-450 | 1/2" | 3/4" | 50' | Yes | 300 | 63 | 9.38"(W) 21.25"(H) 19.5"(L) | 7"(M) 8"(N) | 8"(X) 9"(Y) | CAD File | |
EZ-TSH-475 | 1/2" | 3/4" | 75' | Yes | 300 | 82 | 9.38"(W) 25.5"(H) 24"(L) | 7"(M) 8"(N) | 8"(X) 9"(Y) | CAD File | |
EZ-TSH-535 | 3/4" | 1 1/16" | 35' | Yes | 300 | 77 | 9.38"(W) 25.5"(H) 24"(L) | 7"(M) 8"(N) | 8"(X) 9"(Y) | CAD File | |
EZ-TSH-550 | 3/4" | 1 1/16" | 50' | Yes | 300 | 83 | 9.38"(W) 25.5"(H) 24"(L) | 7"(M) 8"(N) | 8"(X) 9"(Y) | CAD File | |
EZ-TSHL-3100 | 3/8" | 5/8" | 100' | No | 300 | 74 | 9.38"(W) 25.5"(H) 24"(L) | 7"(M) 8"(N) | 8"(X) 9"(Y) | Request CAD File | |
EZ-TSHL-350 | 3/8" | 5/8" | 35' | No | 300 | 55 | 9.38"(W) 21.25"(H) 19.5"(L) | 7"(M) 8"(N) | 8"(X) 9"(Y) | Request CAD File | |
EZ-TSHL-375 | 3/8" | 5/8" | 75' | No | 300 | 73 | 9.38"(W) 25.5"(H) 24"(L) | 7"(M) 8"(N) | 8"(X) 9"(Y) | Request CAD File | |
EZ-TSHL-4100 | 1/2" | 3/4" | 100' | No | 300 | 80 | 9.38"(W) 25.5"(H) 24"(L) | 7"(M) 8"(N) | 8"(X) 9"(Y) | Request CAD File | |
EZ-TSHL-450 | 1/2" | 3/4" | 50' | No | 300 | 55 | 9.38"(W) 21.25"(H) 19.5"(L) | 7"(M) 8"(N) | 8"(X) 9"(Y) | Request CAD File | |
EZ-TSHL-475 | 1/2" | 3/4" | 75' | No | 300 | 73 | 9.38"(W) 25.5"(H) 24"(L) | 7"(M) 8"(N) | 8"(X) 9"(Y) | Request CAD File | |
EZ-TSHL-535 | 3/4" | 1 1/16" | 35' | No | 300 | 67 | 9.38"(W) 25.5"(H) 24"(L) | 7"(M) 8"(N) | 8"(X) 9"(Y) | Request CAD File | |
EZ-TSHL-550 | 3/4" | 1 1/16" | 50' | No | 300 | 70 | 9.38"(W) 25.5"(H) 24"(L) | 7"(M) 8"(N) | 8"(X) 9"(Y) | Request CAD File |

Model | I.D | O.D | Length | Hose | Max PSI | Ship Weight (lbs) | Overall Dimensions (W) (H) (L) | Mounting Pattern (M) (N) | Base (X) (Y) | CAD Downloads | |
EZ-TMP-350 | 3/8" | 11/16" | 50' | No | 3000 | 74 | 9.38"(W) 21.25"(H) 19.5"(L) | 7"(M) 8"(N) | 8"(X) 9"(Y) | Request CAD File | |
EZ-TMP-375 | 3/8" | 11/16" | 75' | No | 3000 | 99 | 9.38"(W) 25.5"(H) 24"(L) | 7"(M) 8"(N) | 8"(X) 9"(Y) | Request CAD File | |
EZ-TMP-450 | 1/2" | 13/16" | 50' | Yes | 2500 | 77 | 9.38"(W) 21.25"(H) 19.5"(L) | 7"(M) 8"(N) | 8"(X) 9"(Y) | Request CAD File | |
EZ-TMP-475 | 1/2" | 13/16" | 75' | Yes | 2500 | 100 | 9.38"(W) 25.5"(H) 24"(L) | 7"(M) 8"(N) | 8"(X) 9"(Y) | Request CAD File | |
EZ-TMP-550 | 3/4" | 1 1/16" | 50' | Yes | 1500 | 94 | 9.38"(W) 25.5"(H) 24"(L) | 7"(M) 8"(N) | 8"(X) 9"(Y) | Request CAD File | |
EZ-TMPL-350 | 3/8" | 11/16" | 50' | No | 3000 | 61 | 9.38"(W) 21.25"(H) 19.5"(L) | 7"(M) 8"(N) | 8"(X) 9"(Y) | Request CAD File | |
EZ-TMPL-375 | 3/8" | 11/16" | 75' | No | 3000 | 80 | 9.38"(W) 25.5"(H) 24"(L) | 7"(M) 8"(N) | 8"(X) 9"(Y) | Request CAD File | |
EZ-TMPL-450 | 1/2" | 13/16" | 50' | No | 2500 | 64 | 9.38"(W) 21.25"(H) 19.5"(L) | 7"(M) 8"(N) | 8"(X) 9"(Y) | Request CAD File | |
EZ-TMPL-475 | 1/2" | 13/16" | 75' | No | 2500 | 80 | 9.38"(W) 25.5"(H) 24"(L) | 7"(M) 8"(N) | 8"(X) 9"(Y) | Request CAD File | |
EZ-TMPL-550 | 3/4" | 1 1/16" | 50' | No | 1500 | 74 | 9.38"(W) 25.5"(H) 24"(L) | 7"(M) 8"(N) | 8"(X) 9"(Y) | Request CAD File |

Model | I.D | O.D | Length | Hose | Max PSI | Ship Weight (lbs) | Overall Dimensions (W) (H) (L) | Mounting Pattern (M) (N) | Base (X) (Y) | CAD Downloads | |
EZ-THP-1100 | 1/4" | 9/16" | 100' | Yes | 5000 | 104 | 9.38"(W) 25.5"(H) 24"(L) | 7"(M) 8"(N) | 8"(X) 9"(Y) | Request CAD File | |
EZ-THP-150 | 1/4" | 9/16" | 50' | Yes | 5000 | 74 | 9.38"(W) 21.25"(H) 19.5"(L) | 7"(M) 8"(N) | 8"(X) 9"(Y) | Request CAD File | |
EZ-THP-175 | 1/4" | 9/16" | 75' | Yes | 5000 | 88 | 9.38"(W) 25.5"(H) 24"(L) | 7"(M) 8"(N) | 8"(X) 9"(Y) | Request CAD File | |
EZ-THP-350 | 3/8" | 11/16" | 50' | Yes | 4000 | 78 | 9.38"(W) 21.25"(H) 19.5"(L) | 7"(M) 8"(N) | 8"(X) 9"(Y) | Request CAD File | |
EZ-THP-375 | 3/8" | 11/16" | 75' | Yes | 4000 | 98 | 9.38"(W) 25.5"(H) 24"(L) | 7"(M) 8"(N) | 8"(X) 9"(Y) | Request CAD File | |
EZ-THPL-1100 | 1/4" | 9/16" | 100' | No | 5000 | 82 | 9.38"(W) 25.5"(H) 24"(L) | 7"(M) 8"(N) | 8"(X) 9"(Y) | Request CAD File | |
EZ-THPL-150 | 1/4" | 9/16" | 50' | No | 5000 | 62 | 9.38"(W) 21.25"(H) 19.5"(L) | 7"(M) 8"(N) | 8"(X) 9"(Y) | Request CAD File | |
EZ-THPL-175 | 1/4" | 9/16" | 75' | No | 5000 | 71 | 9.38"(W) 25.5"(H) 24"(L) | 7"(M) 8"(N) | 8"(X) 9"(Y) | Request CAD File | |
EZ-THPL-350 | 3/8" | 11/16" | 50' | No | 4000 | 66 | 9.38"(W) 25.25"(H) 19.5"(L) | 7"(M) 8"(N) | 8"(X) 9"(Y) | Request CAD File | |
EZ-THPL-375 | 3/8" | 11/16" | 75' | No | 4000 | 80 | 9.38"(W) 25.5"(H) 24"(L) | 7"(M) 8"(N) | 8"(X) 9"(Y) | Request CAD File |

Proposition 65 Warning: Cancer and Reproductive Harm www.P65Warnings.ca.gov (California Residents Click Here)
Contact Us
Have questions? We are here for you. Please feel free to get in touch with us using the tabs and forms below to contact us and request more information about COXREELS® products and services. We will handle your inquiries and will get back to you as soon as we can.Contact Us
Find Distributors
Distributor information will be provided through your preferred method of contact. Click here to submit a request that will be routed to the appropriate distributor.Find a Distributor
Tempe, AZ 85283
Phone: 800-269-7335
Fax: 800-229-7335